Microchip公司的MCP8063是高度集成的三相正弦無傳感器無刷馬達驅動器,具有180°正弦驅動,高扭矩輸出和靜音驅動,工作電壓2V-14V,速度控制可通過脈寬調制(PWM)或電源調制(PSM)取得.內置了頻率發生器,鎖住保護和自動重起電路,過流保護,過壓保護和熱關斷保護,主要用在安靜筆記本CPU/GPU冷卻風扇,12V三相BLDC馬達和通風設備系統.本文介紹了MCP8063主要特性,框圖,風扇馬達驅動應用電路以及12V三相BLDC無傳感器風扇控制器演示板主要特性,電路圖,材料清單和PCB設計圖.
The MCP8063 device is a highly integrated 3-phase,full-wave sensorless driver for brushless motors. Itfeatures a 180° sinusoidal drive, high torque output,and silent drive. Its integrated features and the widepower supply range (2V to 14V) make the MCP8063 anideal candidate for a broad range of motorcharacteristics, requiring no external tuning. Speedcontrol can be achieved through either power supplymodulation (PSM) or pulse-width modulation (PWM).
Due to the compact packaging and minimum bill ofmaterials (power transistors integrated, no Hall sensor,no external tuning), the MCP8063 is optimized for fanapplications that require high efficiency and lowacoustic noise at competitive costs. Frequencygenerator output enables precision speed control inclosed-loop applications. The MCP8063 driver includes a Lock-Up Protection mode, which turns offthe output current when the motor is under lockcondition, and an automatic recovery that enables thefan to restart when the lock condition is removed.
Features such as motor overcurrent limitation andthermal shutdown protection improve motor systemreliability without additional efforts from designengineers.The MCP8063 is available in a compactthermally-enhanced 8-lead 4 mm x 4 mm DFNpackage with exposed pad.
MCP8063主要特性:
• Automotive AEC-Q100 Qualified, PPAP availableupon request
• Position Sensorless BLDC Drivers (no HallSensor required)
• 180° Sinusoidal Drive for High Efficiency and LowAcoustic Noise
• Supports 2V to 14V Power Supplies
• Speed Control through Power Supply Modulation(PSM) and/or Pulse-Width Modulation (PWM)
• Built-In Frequency Generator (FG output signal)
• Built-In Lock-Up Protection and AutomaticRecovery Circuit (external capacitor notnecessary)
• Built-In Overcurrent Limitation (1.5A)
• Built-In Overvoltage Protection
• Built-In Thermal Shutdown Protection
• Thermally Enhanced 8-Lead 4 mm x 4 mm DFNPackage with Exposed Pad
• 23 kHz PWM Output Frequency
• No External Tuning Required
• Optimized for Fan Cooling Systems
MCP8063典型應用:
• Silent Notebook CPU/GPU Cooling Fans
• Air Ventilation System
• 12V 3-Phase BLDC Motors

圖1.MCP8063框圖

圖2.MCP8063風扇馬達驅動應用電路
MCP8063 12V三相BLDC無傳感器風扇控制器演示板
The MCP8063 12V 3-Phase BLDC Sensorless Fan Controller Demonstration Kit allows the control and monitoring of Microchip 12V fan driver devices, such as the MCP8063 or MTD6501, using a PC software connected to the demo board via a USB connection. The MCP8063 12V 3-Phase BLDC Sensorless Fan Controller Demonstration Board software provides several features, such as fan driver power supply control and monitoring, pulse-width modulation (PWM) control, and speed and current consumption monitoring. It also allows automatic application testing.
MCP8063風扇控制器演示板主要特性:
• PC software allows controlling and monitoring the MCP8063 3-Phase Fan Controller via USB connection
• VDD voltage control and IDD current measurement
• PWM control for speed setting
• FG measurement for speed monitoring
• Automated test measurement
MCP8063 12V三相BLDC無傳感器風扇控制器演示板主要元件:
• PIC24FJ64GB002 microcontroller for USB connection, PWM generation,FG frequency measurement, VDD measurement, activation of other signals andcomponent communication
• MCP1824 LDO regulator to provide 3.3V to the microcontroller
• MCP19110 buck regulator to provide power supply to the fan driver
• MCP3421 Delta-Sigma ADC for sensing the fan driver current consumption

圖3.MCP8063 12V三相BLDC無傳感器風扇控制器演示板外形圖
MCP8063 12V三相BLDC無傳感器風扇控制器演示板套件(ADM00575)包括:
• MCP8063 12V 3-Phase BLDC Sensorless Fan Controller Demonstration Board
(ADM00532)
• 3 x MCP8063 Daughter Boards (ADM00535)
• One mini-USB cable
• Important Information Sheet

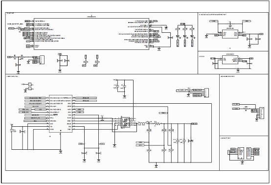
圖4.MCP8063 12V三相BLDC無傳感器風扇控制器演示板電路圖
MCP8063 12V三相BLDC無傳感器風扇控制器演示板(ADM00532)材料清單:



圖5.演示板ADM00532 PCB設計圖(1):頂層絲印圖

圖6.演示板ADM00532 PCB設計圖(2):頂層絲印和銅線圖

圖7.演示板ADM00532 PCB設計圖(3):頂層銅線圖

圖8.演示板ADM00532 PCB設計圖(4):底層銅線圖

圖9.演示板ADM00532 PCB設計圖(5):底層銅線和絲印圖

圖10.演示板ADM00532 PCB設計圖(6):底層焊接圖

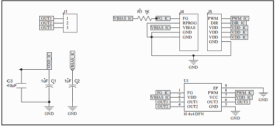
圖11.演示板子板ADM00535電路圖
演示板子板ADM00535材料清單:

|