On Semi公司的LV8811/13/14是通過180°正弦波驅動三相BLDC馬達驅動器,工作電壓3.6伏(V)至16 V,6 V至16 V,和3.6 V至16 V.器件由單個霍爾傳感器控制,降低系統成本,電機速度可通過一個脈寬調制(PWM)信號或一個直流電壓設置,并具有過流,過壓,欠壓和過溫等保護功能,主要用在家電如冰箱的散熱風扇,及游戲機和計算設備.本文介紹了LV8811/13/14主要特性,框圖,幾種應用電路,以及LV8811G/13G/14J評估板主要特性,電路圖,材料清單和PCB設計圖.
The LV8811G, LV8813G are a 3-phase BLDC motors driver which are controlled by single Hall sensor. A 180 degrees sinusoidal driving method is adopted and the IC can control motor with low vibration and the low noise. In addition, lead-angle adjustment is possible by external pins. Lead-angle value and lead-angle slant can be adjusted independently. Thus, the device can be driven by high efficiency and low noise with various motors. The power element to drive a motor is built-in and contributes to high efficiency by low on resistance (0.5 Ω). The Hall sensor bias driver is equipped, and a Hall IC is supported as well. As a method of the rotary speed control of the motor, direct-PWM pulse input or DC-voltage input can be chosen.
LV8811/13/14主要特性:
∙3-phase full wave (sinusoidal) drive
∙Any practical combination of slot and pole can be handled. (e.g. 3S2P, 3S4P, 6S4P, 6S8P, 12S8P, 9S12P and so on)
∙Built-in power FETs (P-MOS/N-MOS)
∙Speed control function by direct PWM or DC voltage input
∙Minimum input PWM duty cycle can be configured by voltage input
∙Soft start-up function and soft shutdown function
∙Soft PWM duty cycle transitions
∙Built-in current limit circuit and thermal protection circuit
∙Regulated voltage output pin for Hall sensor bias
∙Built-in locked rotor protection and auto recovery circuit
∙FG signal output
∙Dynamic lead angle adjustment with respect to rotational speed
∙Lead-angle control parameters can be configured by voltage inputs.
LV8811/13/14典型應用:
∙Refrigerator
∙PC
∙Games

圖1.LV8811G/13G框圖

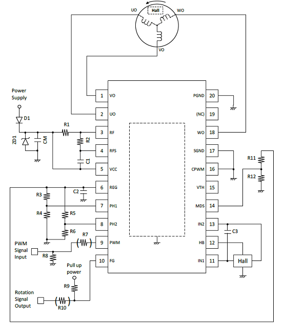
圖2.采用一個霍爾傳感器的LV8811G/13G三相BLDC馬達驅動電路圖(1)

圖3.采用一個霍爾傳感器的LV8811G/13G三相BLDC馬達驅動電路圖(2)

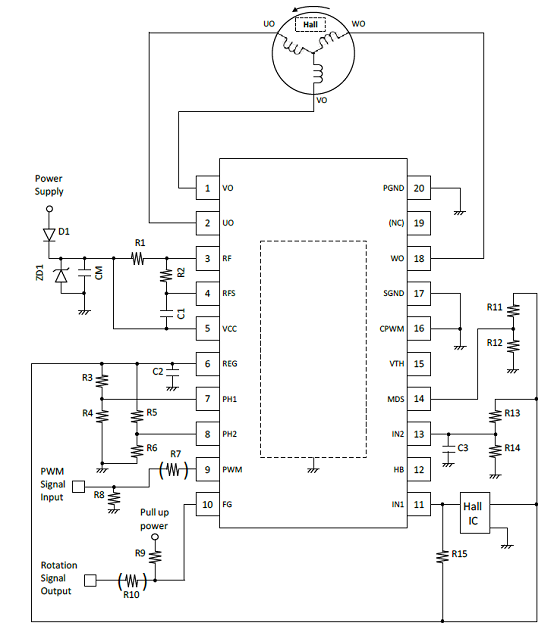
圖4.采用PWM/DC轉換的速度控制的LV8811G/13G三相BLDC馬達驅動電路圖
LV8811G/13G/14J評估板
The LV8811G,LV8813G, and LV8814J Evaluation Board is designed to provide an easy and quick development platform for three phase single sensor BLDC motor control applications using LV8811G, LV8813G, nad LV8814J. The board enables users to develop their customized system solution by utilizing various features of LV8811G, LV8813G, and LV8814J and provides real-time development capabilities.
The LV8811G/13G/14J board consists of the following I/O and components:
1. Three phases motor output
2. Hall sensor bias output
3. Hall sensor input
4. PWM input
5. FG output
6. Monitoring outputs and setting inputs (optional)
7. Configuration setting resistors

圖5.LV8811G評估板外形圖
LV8811G評估板主要特性:
• Supports 12.0V (typ.) supply voltage
• Speed control input: PWM duty cycle
• Selectable Hall sensor type; sensor or IC o Factory default: configured for sensor type
• Configureable minimum PWM duty cycle o Factory-default: 14% for enable (start) 8% for disable (stop)
• Configurable lead angle range and its proportional constant to rotational speed o Factory-default: 15degree at the lowest FG frequency Lead angle=0.15×𝑓𝑓𝐹𝐹+15

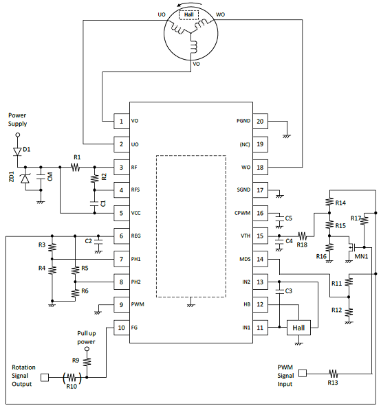
圖6.LV8811G評估板電路圖
LV8811G評估板材料清單:


圖7.LV8811G評估板頂層和底層PCB設計圖
|