Maxim公司的MAX77650/MAX77651是具有三輸出單電感多輸出(SIMO)和充電器的超低功耗PMIC,為低功耗可穿戴應用提供高度集成的電池充電和電源解決方案.可編程快速充電電流7.5mA-300mA,可編程電池電壓33.6V-4.6V,可編程端電流0.375mA-45mA,主要用在藍牙耳機,健美健康和藹活動監(jiān)視器,物聯(lián)網(IoT)和手持設備.本文介紹了MAX77650主要特性,框圖,應用電路以及評估板MAX77650 EV主要特性,電路圖,材料清單和PCB設計圖.
The MAX77650/MAX77651 provide highly-integrated battery charging and power supply solutions for low-power wearable applications where size and efficiency are critical. Both devices feature a SIMO buck-boost regulator that provides three independently programmable power rails from a single inductor to minimize total solution size. A 150mA LDO provides ripple rejection for audio and other noise-sensitive applications. A highly configurable linear charger supports a wide range of Li+ battery capacities and includes battery temperature monitoring for additional safety (JEITA).
The devices include other features such as current sinks for driving LED indicators and an analog multiplexer that switches several internal voltage and current signals to an external node for monitoring with an external ADC. A bidirectional I2C interface allows for configuring and checking the status of the devices. An internal on/off controller provides a controlled startup sequence for the regulators and provides supervisory functionality when the devices are on. Numerous factory programmable options allow the device to be tailored for many applications, enabling faster time to market.
MAX77650主要特性:
Highly Integrated
Smart Power Selector™ Li+/Li-Poly Charger
3 Output,Single-Inductor Multiple-Output(SIMO)Buck-Boost Regulator 150mA LDO
3-Channel Current Sink Driver
Analog MUX Output for Power Monitoring
Low Power
0.3µA Standby Current
5.6µA Operating Current (3 SIMO Channels + LDO)
Charger Optimized for Small Battery Size
Programmable Fast-Charge Current from 7.5mA to 300mA
Programmable Battery Regulation Voltage from 3.6V to 4.6V
Programmable Termination Current from 0.375mA to 45mA
JEITA Battery Temperature Monitors Adjust Charge Current and Battery Regulation Voltage for Safe Charging
Flexible and Configurable
I2C Compatible Interface and GPIO
Factory OTP Options Available
Small Size
2.75mm × 2.15mm × 0.7mm
30-Pin, 0.4mm-Pitch WLP
Small Total Solution Size (28mm2)
MAX77650應用:
Bluetooth Headphones/Hearables
Fitness, Health, and Activity Monitors
Internet of Things (IoT)
Portable Devices

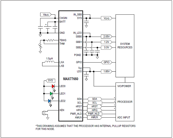
圖1.MAX77650簡化框圖

圖2.MAX77650典型應用電路圖
評估板MAX77650 EV
The MAX77650 evaluation kit (EV kit) is a fully assembled and tested printed circuit board (PCB) that demonstrates the MAX77650. The EV kit allows for easy evaluation of the various MAX77650 features, including the SIMO buck-boost regulator, linear regulator, analog multiplexer, smart battery charger, on/off controller, and I2C interface.
Windows-based software provides a user-friendly graphical interface as well as a detailed register-based interface to exercise the features of the MAX77650.
評估板MAX77650 EV主要特性:
Easy to Use
GUI Drives I2C Interface
On-Board Ammeter
On-Board Thermistor
On-Key Options
RGB LED Cluster
Assembled and Fully Tested
Emulates System Loading
On-Board Electronic Loads
Electronic Loads have steady-state, transient, and random modes
Demonstrates End-to-End Analog Multiplexer Implementation
On-Board ADC
Evaluates Both Push-Button and Slider-Switch On-Key Options
評估板MAX77650 EV應用:
Bluetooth Headphones/Hearables
Fitness, Health, and Activity Monitors
Internet of Things (IoT)
Portable Devices

圖3.評估板MAX77650 EV外形圖

圖4.評估板MAX77650 EV頂層元件布局圖

圖5.評估板MAX77650 EV底層元件布局圖

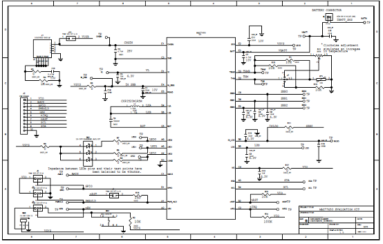
圖6.評估板MAX77650 EV電路圖(1)

圖7.評估板MAX77650 EV電路圖(2)

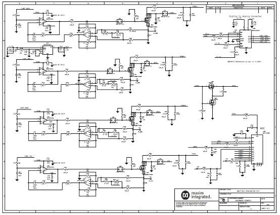
圖8.評估板MAX77650 EV電路圖(3)

圖9.評估板MAX77650 EV電路圖(4)

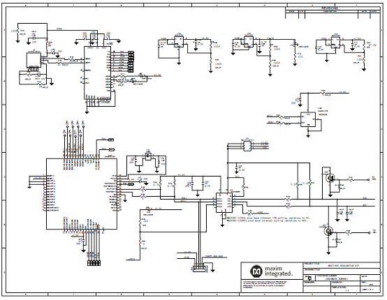
圖10.評估板MAX77650 EV電路圖(5)

圖11.評估板MAX77650 EV電路圖(6)

圖12.評估板MAX77650 EV PCB設計圖(1)

圖13.評估板MAX77650 EV PCB設計圖(2)
|