TI公司的bq501210是符合無線充電聯盟(WPC) v1.2標準的無線電源數字控制器,集成了符合WPC的接收器無線傳輸功率所需的邏輯功能,最高能夠傳輸15W功率,12V至19V輸入,具有雙向通信,支持對兼容接收器進行快速充電,可選擇提供5W WPC低功率或15W中等功率,主要用在WPCv1.2無線充電器如Qi認證智能手機,平板電腦和其它手持設備,銷售點設備和定制無線電源.本文介紹了bq501210主要特性,功能框圖,系統框圖以及評估板bq501210EVM-756主要特性,電路圖和材料清單.
The bq501210 is a Wireless Power Consortium (WPC) v1.2 compliant wireless power digital controller that integrates the logic functions required to wirelessly transfer power to a WPC-compliant receiver with the capability of delivering up to 15 W. The bq501210 is an intelligent device that periodically pings the surrounding environment for available devices to be powered, detects if a foreign metal object is present on the charging pad, monitors all communication from the device being wirelessly powered, and adjusts power applied to the transmitter coil per feedback received from the powered device.
The bq501210 also manages the fault conditions associated with the power transfer and controls the operating mode status indicator. The bq501210 uses a rail voltage control scheme instead of the traditional frequency control to adjust the amount of power delivered to the receiver.
Through negotiation with a High Voltage Dedicated Charging Port (HVDCP) adapter, the bq501210 provides power between the WPC low power capability of 5 W, and the medium power specifications of 15 W.Fast Charge support provides more power for compatible receiver devices.
bq501210主要特性:
Qi-Certified Wireless Power Consortium (WPC) v1.2 Solution for 15-W Operation
Faster Charging Time
Backward Compatible With Existing 5-W WPC Receivers
12-V to 19-V Input, Fixed Frequency, Rail Voltage Control Architecture
15 V to 19 V can achieve 15 W
9 V and 12 V capable for HVDCP
Dynamic Power Limiting (DPL) Allows Operation From Weak Supplies
Conforms to WPC MP-A5 Transmitter Type Specification
Enhanced Foreign Objection Detection (FOD) Implementation With FOD Ping that Detects Metal Objects Prior to Power Transfer
Low Standby Power During Idle and ‘Charge Complete’
Bi-directional Communication
Digital Demodulation Reduces Components and Simplifies Circuitry
Support Fast Charge Operation with Compatible Receivers
10 Configurable LED Modes Indicate Charging State and Fault Status
bq501210應用:
WPC v1.2 Wireless Chargers:
Smart Phones, Tablets, and Other Handhelds
Point-of-Sale Devices
Custom Wireless Power Application

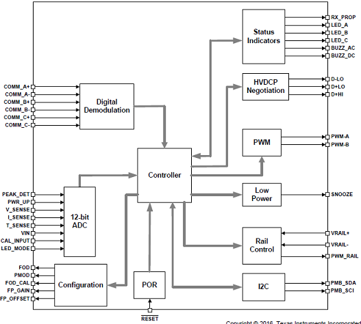
圖1.bq501210功能框圖

圖2.bq501210系統框圖
評估板bq501210EVM-756
The bq501210EVM-756 wireless power transmitter evaluation module from Texas Instruments is a high-performance, easy-to-use development module for the design of wireless power solutions. The bq501210 evaluation module (EVM) provides all the basic functions of a Qi-compliant, wireless charger pad. The 19-V input, single coil transmitter (TX) enables designers to speed the development of their end-applications The EVM supports WPC v1.0, WPC v1.1 and WPC v1.2 receivers (RX) and supports output power up to 15W when paired with the bq55221EVM-713. The bq501210 EVM also operates with any Qi WPC v1.1 RX.
The bq501210EVM-756 EVM demonstrates the transmitter portion of the bqTESLA™ wireless power system. This transmitter EVM is a complete transmitter-side solution that powers a bqTESLA receiver. The EVM requires a single 12-V power supply capable of up to 2.0A to operate and combines the transmitter electronics, input pwoer circuit, LED indicators, and the transmitting coil on the single printed-circuit board (PCB). The EVM is a non-space optimized, open design allowing easy access to key points of the electrical schematic.
評估板bq501210EVM-756主要特性:
WPC v1.2 15-W charging capability with bq55221 receiver
5-W solution for WPC v1.1 receivers
15-V to 19-V input and fixed operatiing frequency for full 15-W results
12-V input for reduced power (> 10W) solutions
Enchanced Foreign Object Detection (FOD) with FOD ping detecting objects prior to power transfer
WPC v1.2 FOD, WPC v1.1 FOD and WPC v1.0 Parasitic metal Object Detection (PMOD)
Transmitter-coil mounting pad providing the corectereceiver interface
Compact power section design using the bq500100 NexFET power stage
Wurth 760 308 141 transmitter coil with no magnet
LED and audio indication of power transfer

圖3.評估板bq501210EVM-756外形圖
BQ501210EVM-756 bq501210 WPC 1.2 Wireless Power Transmitter Manager Evaluation Module with 15-W Power Delivery Board Image
評估板bq501210EVM-756電參數指標:


圖4.評估板bq501210EVM-756完整電路圖

圖5.評估板bq501210EVM-756電路圖:發送器管理電路

圖6.評估板bq501210EVM-756電路圖:電流檢測電路

圖7.評估板bq501210EVM-756電路圖:線圈控制電路

圖8.評估板bq501210EVM-756電路圖:電源電路

圖9.評估板bq501210EVM-756電路圖
評估板bq501210EVM-756材料清單:


|