On Semi公司的LV8907是高性能AEC-Q100許可的無傳感器三相無刷直流(BLDC)馬達控制器,集成了用來驅動外接N-MOSFET的柵極驅動器,兩級電荷泵提供各種低RDS(ON)外接N-MOSFET所需的柵極電壓,工作結溫高達175ºC,工作電壓5.5V 到 20V,主要用在汽車泵(燃料泵,油泵和水泵),風扇(HVAC,散熱器,電池冷卻,LED頭燈冷卻)以及白色家電和工業BLDC馬達控制.本文介紹了LV8907主要特性,框圖,典型應用電路以及評估板LV8907UWGEVK主要特性,電路圖和材料清單.
The LV8907 is a high performance, AEC-Q100 qualified, sensor-less three-phase BLDC motor controller with integrated gate drivers for driving external N-MOSFETs. An on-chip two-stage charge pump provides required gate voltage for a wide range of low RDS(ON) type external N-MOSFETs. The device offers a rich set of system protection and diagnostic functions such as over-current, over-voltage, short-circuit, under-voltage, over-temperature and many more. It supports open-loop as well as closed-loop speed control with user configurable startup, speed setting and proportional/integral (PI) control coefficients, making it suitable for a wide range of motor and load combinations. With a built-in linear regulator for powering external circuits, a watchdog timer, and a LIN (Local Interconnect Network) transceiver, the LV8907 offers a very small system solution. The LV8907 stores system parameters in embedded one-time programmable (OTP) non-volatile memory in addition to RAM system memory. An SPI interface is provided for parameter setting and monitoring the system status. With the operating junction temperature tolerance up to 175ºC and electrically LIN compatible control signals (PWM and Enable), the LV8907 is an ideal solution for stand-alone BLDC motor control systems.
LV8907主要特性:
AEC-Q100 qualified and PPAP capable.
Operating junction temperature up to 175ºC
Operating voltage range from 5.5V to 20V with tolerance from 4.5V to 40V
Embedded proprietary sensor-less trapezoidal and pseudo-sinusoidal commutation
Supports open-loop as well as closed-loop speed control
Integrated gate drivers for driving six N-MOSFETs
Two-stage charge pump for continuous 100% duty cycle operation
5V/3.3V regulator, LIN transceiver and Watchdog timer applications using an external microcontroller.
Configurable speed settings and PI control coefficients
Various system protection features including:
Shoot through protection using configurable dead-time
Drain-source short detection
Cycle-by-cycle current limit and over-current shutdown
Over-voltage and under-voltage shutdown
Over-temperature warning and shutdown
Input PWM fault detection
LV8907典型應用:
Automotive pumps (Fuel, Oil, and Hydraulic)
Fans (HVAC, Radiator, Battery Cooling, LED Headlight Cooling)
White goods and industrial BLDC motor control

圖1.LV8907框圖

圖2.LV8907單獨使用配置圖

圖3.LV8907基于LIN的控制配置圖
LV8907UW評估板LV8907UWGEVK
The LV8907UWGEVK Evaluation Kit v1.0 is designed to provide an easy and quick development platform for three phase sensor-less BLDC motor control applications using the LV8907UW. The LV8907UW is a stand-alone solution that does not need a microcontroller for operation. An Atmel microcontroller is included in the kit to communicate via USB with the PC based graphical user interface (GUI) and support some peripheral functions such as current and voltage measurement, and external temperature monitoring for easier system development. For quick-start and basic The kit consists of:
1. LV8907UW Evaluation Board (EVB)
2. USB cable Type A to mini B.
3. Graphical User Interface.
評估板LV8907UWGEVK主要特性:
• Motor operation: 7V to 20V (40V transient).
• Max current: 30A.
• Maximum continuous power: 400W.

圖4.評估板LV8907UWGEVK外形圖

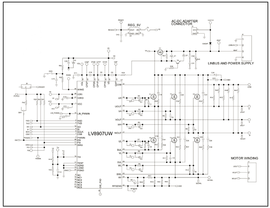
圖5.評估板LV8907UWGEVK電路圖(1)

圖6.評估板LV8907UWGEVK電路圖(2)
評估板LV8907UWGEVK材料清單:



|