| 當前位置:首頁->方案設計 |
|
| TIDA-00281汽車48V 1kW馬達驅動參考設計 |
|
|
| 文章來源: 更新時間:2016/6/21 13:26:00 |
在線咨詢: |
| |
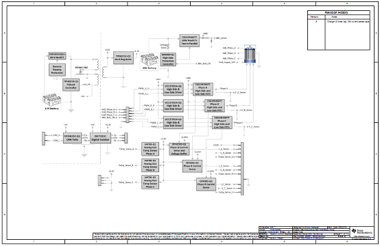
TI公司的TIDA-00281是采用UCC27201A-Q1高頻N溝MOSFET驅動器的汽車48V 1kW馬達驅動參考設計,能處理高達30A的電流,包括和C2000 LaunchPad連接的模擬電路,不需要位置傳感器就能控制三相無刷直流馬達(BLDC),從48V電池系統供電,具有過壓,欠壓,超溫,過流和瞬時故障保護.本文介紹了UCC27201A-Q1主要特性,功能框圖,應用電路圖以及TIDA-00281汽車48V 1kW BLDC馬達驅動參考設計主要特性,系統指標,應用框圖,電路圖和材料清單以及pcb設計圖.
The UCC27201A-Q1 high frequency N-Channel MOSFET driver includes a 120-V bootstrap diode and high-side/low-side driver with independent inputs for maximum control flexibility. This allows for N-Channel MOSFET control in half-bridge, full-bridge, two-switch forward and active clamp forward converters. The low-side and the high-side gate drivers are independently controlled and matched to 1-ns between the turn-on and turn-off of each other. The UCC27201A-Q1 is based on the popular UCC27200 and UCC27201 drivers, but offer some enhancements. In order to improve performance in noisy power supply environments the UCC27201A-Q1 has the ability to withstand a maximum of -18 V on its HS pin.
An on-chip bootstrap diode eliminates the external discrete diodes. Under-voltage lockout is provided for both the high-side and the low-side drivers forcing the outputs low if the drive voltage is below the specified threshold.
The UCC27201A-Q1 has TTL-compatible thresholds and is offered in a 10-Pin VSON and an 8-pin SOIC with a thermal pad.
UCC27201A-Q1主要特性:
Qualified for Automotive Applications
AEC-Q100 Qualified With the Following Results:
Device Temperature Grade 1: –40℃ to 140℃ Ambient Operating Temperature Range
Device HBM Classification Level 1C
Device CDM Classification Level C3
Negative Voltage Handling on HS (–18 V)
Drives Two N-Channel MOSFETs in High-Side/Low-Side Configuration
Maximum Boot Voltage: 120 V
Maximum VDD Voltage: 20 V
On-Chip 0.65-V VF, 0.6-Ω RD Bootstrap Diode
Greater than 1 MHz of Operation
20-ns Propagation Delay Times
3-A Sink, 3-A Source Output Currents
8-ns Rise and 7-ns Fall Time with 1000-pF Load
1-ns Delay Matching
Under Voltage Lockout for High-Side and Low-Side Driver
Offered in 8-Pin PowerPad SOIC-8 (DDA) and 10-Pin VSON (DMK) Packages
UCC27201A-Q1應用:
Auxiliary Inverters
DC-to-DC Converters for Power Train
Switch Mode Power Supplies
Motor Control
Half-Bridge Applications and Full-Bridge Converters
Two-Switch Forward Converters
Active-Clamp Forward Converters
High Voltage Synchronous-Buck Converters
Class-D Audio Amplifiers

圖1.UCC27201A-Q1功能框圖

圖2.UCC27201A-Q1開環半橋轉換器電路
TIDA-00281汽車48V 1kW BLDC馬達驅動參考設計
The TIDA-00281 TI Design is a 3-Phase Brushless DC Motor Drive designed to operate in 48-V automotive applications. The board is designed to drive motors in the 1-kW range and can handle currents up to 30-A. The design includes analog circuits working in conjunction with a C2000 LaunchPad to spin a 3-Phase BLDC motor without the need for position feedback from Hall Effect sensors or quadrature encoder.
TIDA-00281參考設計主要特性:
• Speed Control of 3-Phase Brushless DC (BLDC)Motors With no Position Sensors Needed
• Phase Voltage and Current Sensing Scaled andFiltered Feedback for Control of 3-Phase Power
• Operates Over Wide Range of Voltages From48-V Battery System
• Protection Against Overvoltage, Undervoltage,Overtemperature, Overcurrent, and TransientFaults
• Reverse Polarity Protection on 12-V Battery
• Isolated CAN Interface Connects to AutomotiveNetworks on 12-V Battery System
• Critical Components Fit in a 5-inch DiameterCircular PCB
• Components Selected for AutomotiveTemperature and Quality
• Test Points Provide Easy Access to Key MotorSignals

圖3.TIDA-00281汽車48V 1kW BLDC馬達驅動參考設計外形圖
TIDA-00281參考設計應用:
• Water Pump
• eTurbo
• Radiator Fan
• HVAC Blower
• Oil Pump
TIDA-00281參考設計系統指標:


圖4.TIDA-00281參考設計概述圖

圖5.TIDA-00281參考設計框圖

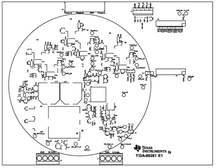
圖6.TIDA-00281參考設計板簡化平面圖

圖7.TIDA-00281參考設計板電路圖(1)

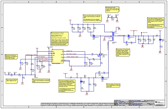
圖8.TIDA-00281參考設計板電路圖(2)

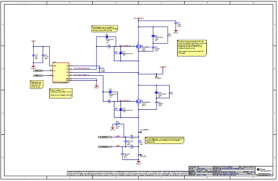
圖9.TIDA-00281參考設計板電路圖(3)

圖10.TIDA-00281參考設計板電路圖(4)

圖11.TIDA-00281參考設計板電路圖(5)

圖12.TIDA-00281參考設計板電路圖(6)

圖13.TIDA-00281參考設計板電路圖(7)

圖14.TIDA-00281參考設計板電路圖(8)

圖15.TIDA-00281參考設計板電路圖(9)

圖16.TIDA-00281參考設計板電路圖(10)

圖17.TIDA-00281參考設計板電路圖(11)

圖18.TIDA-00281參考設計板電路圖(12)

圖19.TIDA-00281參考設計板電路圖(13)
TIDA-00281參考設計板材料清單:





圖20.TIDA-00281參考設計板PCB設計圖(1)

圖21.TIDA-00281參考設計板PCB設計圖(2)

圖22.TIDA-00281參考設計板PCB設計圖(3)

圖23.TIDA-00281參考設計板PCB設計圖(4)

圖24.TIDA-00281參考設計板PCB設計圖(5)

圖25.TIDA-00281參考設計板PCB設計圖(6)

圖26.TIDA-00281參考設計板PCB設計圖(7)

圖27.TIDA-00281參考設計板PCB設計圖(8) |
| |
|
|
|
|
|
| |
|
| |
|
|