| 當前位置:首頁->方案設計 |
|
| MB39C831太陽能收獲超低電壓升壓管理方案 |
|
|
| 文章來源: 更新時間:2016/6/15 19:08:00 |
在線咨詢: |
| |
Cypress公司的MB39C831是高效率同步整流升壓DC/DC轉換器,包括控制DC/DC轉換器輸出跟隨太陽能電池的MPPT和鋰電池安全充電的保護功能,輸入電壓0.3V 到 4.75V,輸出電壓調整范圍3.0V到5.0V,無負載時的靜態電流41μA,主要用在太陽能收獲,熱能收獲,手持音頻播放器,手機,電子書,電子詞典,無線遙控控制器和傳感器節點.本文介紹了MB39C831主要特性,框圖,恒壓模式和充電模式應用電路,以及評估板MB39C831-EVB-03主要指標,框圖,電路圖,材料清單和PCB設計圖.
The MB39C831 is the high-efficiency synchronous rectification boost DC/DC converter IC which efficiently supplies energy getting from the solar cell with the single cell or multiple cells, or from the thermoelectric generator (TEG) to the Li-ion battery.
It contains the function to control the DC/DC converter output following the maximum power point of the solar cell (MPPT: Maximum Power Point Tracking) and the protection function to charge the Li-ion battery safely.
It is possible to start-up from 0.35 V using the low-voltage process and adapts the applications which the single cell solar cell is treated as the input.
MB39C831主要特性:
Operation input voltage range : 0.3V to 4.75V
Output voltage adjustment range : 3.0V to 5.0V
Minimum input voltage at start-up : 0.35V
Quiescent Current (No load) : 41 μA
Input peak current limit : 200 mA
Built-in MPPT
Charge voltage to the Li-ion battery/current protection function built in
Improvement of the efficiency during the low-output power according to the auto PFM/PWM switching mode
MB39C831應用:
Solar energy harvesting
Thermal energy harvesting
Li-ion battery using the single cell or multiple cells’ solar cell/Super Capacitor Charger
Portable audio players
Cellular phone
eBook
Electronic dictionary
Wireless remote controllers
Sensor node

圖1.MB39C831框圖

圖2.MB39C831恒壓模式應用電路:MPPT_ENA = L, ENA = H

圖3.MB39C831充電模式應用電路:MPPT_ENA = H, ENA = H
應用電路元件列表:

評估板MB39C831-EVB-03
MB39C831-EVB-03: Evaluation Board of Ultra Low Voltage Boost Power Management IC for Solar/Thermal Energy Harvesting.
The MB39C831-EVB-03 is the evaluation board for the energy harvesting (Power Management) IC, MB39C831. This evaluation board is capable of accepting solar or thermal electric power source.

圖4.評估板MB39C831-EVB-03外形圖
評估板MB39C831-EVB-03主要指標:


圖5.評估板MB39C831-EVB-03框圖

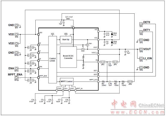
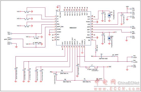
圖6.評估板MB39C831-EVB-03電路圖(1)
評估板MB39C831-EVB-03材料清單:



圖7.評估板MB39C831-EVB-03 PCB設計圖 |
| |
|
|
|
|
|
| |
|
| |
|
|