| 當前位置:首頁->方案設計 |
|
| STM32F415ZG雙馬達控制方案 |
|
|
| 文章來源: 更新時間:2016/5/12 14:46:00 |
在線咨詢: |
| |
ST公司的STM32F415xx和STM32F417xx系列是基于ARM®Cortex®-M4 32位RISC核,工作頻率高達168MHz,具有浮點單元(FPU)單精度,支持所有的ARM單精度數據處理指令和數據類型,210DMIPS性能,多達1MB閃存/192+4KB RAM,多種外設包括USB OTG HS/FS,三個I2C,三個SPI,四個USART和兩個UART,兩個CAN等.主要用在馬達驅動和應用控制,醫療電子,工業應用如PLC,逆變器和電路中斷器,打印機和掃描儀,告警系統,視頻連接和HVAC以及家庭音頻設備.本文介紹了STM32F415xx和STM32F417xx系列主要特性和框圖,以及雙馬達控制板STEVAL-IHM039V1主要特性,電路圖和材料清單.
The STM32F415xx and STM32F417xx family is based on the high-performance ARM®Cortex®-M4 32-bit RISC core operating at a frequency of up to 168 MHz. The Cortex-M4 core features a Floating point unit (FPU) single precision which supports all ARM singleprecisiondata-processing instructions and data types. It also implements a full set of DSPinstructions and a memory protection unit (MPU) which enhances application security.
The STM32F415xx and STM32F417xx family incorporates high-speed embedded memories (Flash memory up to 1 Mbyte, up to 192 Kbytes of SRAM), up to 4 Kbytes of backup SRAM, and an extensive range of enhanced I/Os and peripherals connected to twoAPB buses, three AHB buses and a 32-bit multi-AHB bus matrix.
All devices offer three 12-bit ADCs, two DACs, a low-power RTC, twelve general-purpose 16-bit timers including two PWM timers for motor control, two general-purpose 32-bit timers.a true random number generator (RNG), and a cryptographic acceleration cell. They alsofeature standard and advanced communication interfaces.
Up to three I2Cs
Three SPIs, two I2Ss full duplex. To achieve audio class accuracy, the I2S peripherals can be clocked via a dedicated internal audio PLL or via an external clock to allowsynchronization.
Four USARTs plus two UARTs
An USB OTG full-speed and a USB OTG high-speed with full-speed capability (with the ULPI), Two CANs
An SDIO/MMC interface
Ethernet and the camera interface available on STM32F417xx devices only.
New advanced peripherals include an SDIO, an enhanced flexible static memory control (FSMC) interface (for devices offered in packages of 100 pins and more), a camera interface for CMOS sensors and a cryptographic acceleration cell.
The STM32F415xx and STM32F417xx family operates in the –40 to +105 ℃temperature range from a 1.8 to 3.6 V power supply. The supply voltage can drop to 1.7 V when the device operates in the 0 to 70 ℃ temperature range using an external power supply supervisor. A comprehensive set of power-savingmode allows the design of low-power applications.
The STM32F415xx and STM32F417xx family offers devices in various packages ranging from 64 pins to 176 pins. The set of included peripherals changes with the device chosen. These features make the STM32F415xx and STM32F417xx microcontroller family suitablefor a wide range of applications:
Motor drive and application control
Medical equipment
Industrial applications: PLC, inverters, circuit breakers
Printers, and scanners
Alarm systems, video intercom, and HVAC
Home audio appliances
New advanced peripherals include an SDIO, an enhanced flexible static memory control (FSMC) interface (for devices offered in packages of 100 pins and more), a camera interface for CMOS sensors and a cryptographic acceleration cell.
The STM32F415xx and STM32F417xx family operates in the –40 to +105 ℃ temperature range from a 1.8 to 3.6 V power supply. The supply voltage can drop to 1.7 V when the device operates in the 0 to 70 ℃ temperature range using an external power supply supervisor: A comprehensive set of power-savingmode allows the design of low-power applications.
STM32F415xx和STM32F417xx系列主要特性:
Core: ARM® 32-bit Cortex®-M4 CPU with FPU,Adaptive real-time accelerator (ART Accelerator™) allowing 0-wait state executionfrom Flash memory,frequency up to 168 MHz,memory protection unit, 210 DMIPS/1.25 DMIPS/MHz (Dhrystone 2.1), and DSP instructions
Memories
– Up to 1 Mbyte of Flash memory
– Up to 192+4 Kbytes of SRAM including 64-Kbyte of CCM (core coupled memory) data RAM
– Flexible static memory controllersupporting Compact Flash, SRAM,PSRAM, NOR and NAND memories
LCD parallel interface, 8080/6800 modes
Clock, reset and supply management
– 1.8 V to 3.6 V application supply and I/Os
– POR, PDR, PVD and BOR
– 4-to-26 MHz crystal oscillator
– Internal 16 MHz factory-trimmed RC (1%accuracy)
– 32 kHz oscillator for RTC with calibration
– Internal 32 kHz RC with calibration
Low-power operation
– Sleep, Stop and Standby modes
– VBAT supply for RTC, 20×32 bit backupregisters + optional 4 KB backup SRAM
3×12-bit, 2.4 MSPS A/D converters: up to 24channels and 7.2 MSPS in triple interleavedmode
2×12-bit D/A converters
General-purpose DMA: 16-stream DMAcontroller with FIFOs and burst support
Up to 17 timers: up to twelve 16-bit and two 32-bit timers up to 168 MHz, each with up to 4IC/OC/PWM or pulse counter and quadrature(incremental) encoder input
Debug mode
– Serial wire debug (SWD) & JTAGinterfaces
– Cortex-M4 Embedded Trace Macrocell™
Up to 140 I/O ports with interrupt capability
– Up to 136 fast I/Os up to 84 MHz
– Up to 138 5 V-tolerant I/Os
Up to 15 communication interfaces
– Up to 3 × I2C interfaces (SMBus/PMBus)
– Up to 4 USARTs/2 UARTs (10.5 Mbit/s, ISO7816 interface, LIN, IrDA, modem control)
– Up to 3 SPIs (42 Mbits/s), 2 with muxedfull-duplex I2S to achieve audio classaccuracy via internal audio PLL or externalclock
– 2 × CAN interfaces (2.0B Active)
– SDIO interface
Advanced connectivity
– USB 2.0 full-speed device/host/OTGcontroller with on-chip PHY
– USB 2.0 high-speed/full-speeddevice/host/OTG controller with dedicatedDMA, on-chip full-speed PHY and ULPI
– 10/100 Ethernet MAC with dedicated DMA:supports IEEE 1588v2 hardware, MII/RMII
8- to 14-bit parallel camera interface up to54 Mbytes/s
Cryptographic acceleration: hardwareacceleration for AES 128, 192, 256, TripleDES, HASH (MD5, SHA-1), and HMAC
True random number generator
CRC calculation unit
96-bit unique ID
RTC: subsecond accuracy, hardware calendar

圖1.STM32F41xxx系列框圖
雙馬達控制板STEVAL-IHM039V1
STEVAL-IHM039V1 dual motor control demonstration boardfeaturing the STM32F415 microcontroller
The STEVAL-IHM039V1 demonstration board is designed as a dual motor field-oriented control (FOC) development platform for STMicroelectronics’ARM Cortex™-M4 32-bit corebasedSTM32F415ZG microcontroller with up to 168 MHz of clock frequency and FPUsupport. The board features full-speed USB 2.0 and CAN 2.0 A/B compliant interfaces; 1I2S/I2C channel, 1 USART channel and 1 insulate USART through USB to serial bridge, 2DAC channels, internal 192+4KB SRAM and 1 MB Flash memory, and JTAG and SWDdebugging support. The board is designed to implement multiple motor controls and offersan advanced user I/O interface (LCD QVGA display and joystick key). Extension headersmake it easy to connect a daughterboard or wrapping board for specific applications.
With dedicated hardware features, the STEVAL-IHM39V1 board is designed to help developers to evaluate the device and develop their own applications.
The STEVAL-IHM39V1 can be used together with the STM32 PMSM single/dual FOC SDKv3.x and two of the possible STMicroelectronics demonstration power boards equipped withMC connector for a complete dual motor control evaluation and development platform.

圖2.雙馬達控制板STEVAL-IHM039V1外形圖
雙馬達控制板STEVAL-IHM039V1主要特性:
• STMicroelectronics’ ARMTM Cortex-M4 core-based STM32F415ZG microcontroller
• Two full-featured MC connectors for interfacing with any of the possible
STMicroelectronics demonstration power boards
• JTAG, SWD and trace debug support
• USB connector for isolated virtual com port
• USB 2.0 full speed connection
• 240 x 320 TFT color LCD
• Joystick with 4-direction control and selector
• 4 LEDs
• Reset plus three user buttons
• Five 5 V power supply sources: 2-way screw connector, power jack, two USBconnectors or daughterboard
• Boot from user Flash or system memory
• CAN 2.0 A/B compliant connection
• I2C connection
• RS-232 channel with RTS/CTS handshake support
• Extension connectors for daughterboard or wrapping area board

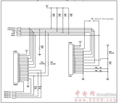
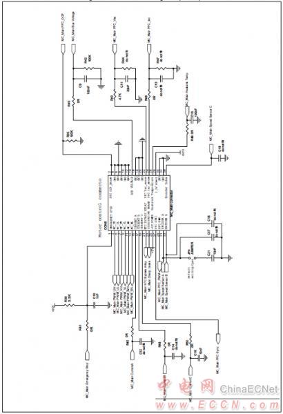
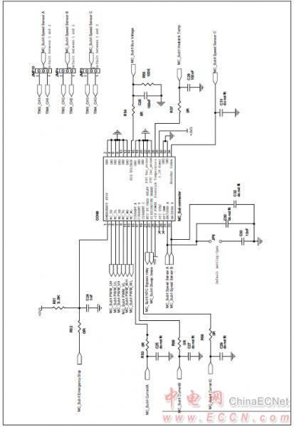
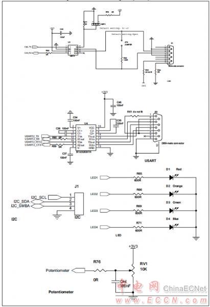
圖3.雙馬達控制板STEVAL-IHM039V1電路圖(1)

圖4.雙馬達控制板STEVAL-IHM039V1電路圖(2)

圖5.雙馬達控制板STEVAL-IHM039V1電路圖(3)

圖6.雙馬達控制板STEVAL-IHM039V1電路圖(4)

圖7.雙馬達控制板STEVAL-IHM039V1電路圖(5)

圖8.雙馬達控制板STEVAL-IHM039V1電路圖(6)

圖9.雙馬達控制板STEVAL-IHM039V1電路圖(7)

圖10.雙馬達控制板STEVAL-IHM039V1電路圖(8)

圖11.雙馬達控制板STEVAL-IHM039V1電路圖(9)
雙馬達控制板STEVAL-IHM039V1材料清單:
 |
| |
|
|
|
|
|
| |
|
| |
|
|