| 當前位置:首頁->方案設計 |
|
| MAX77818雙路輸入3A開關模式充電方案 |
|
|
| 文章來源: 更新時間:2016/5/3 11:47:00 |
在線咨詢: |
| |
Maxim公司的MAX77818是用于最新智能手機和平板電腦的高性能PMIC,百貨公司雙輸入,帶反向升壓能力的智能功率通路3A開關模式充電器和適配輸入保護高達16VDC以及有所有全的ModelGauge™ (m5)電量計量(FG)技術,支持USB OTG,無線充電輸入高達5.9V.本文介紹了MAX77818主要特性和優勢,框圖,主電池充電器功能框圖和應用電路,以及MAX77818評估系統優勢和特性,電路圖,材料清單和PCB設計圖.
The MAX77818 is a high-performance companion PMIC for the latest smartphones and tablet computers. The PMIC includes a dual input, smart power path 3.0A switch mode charger with reverse boost capability and adapter input protection up to 16VDC withstand, proprietary ModelGauge™ (m5) fuel gauge technology.
The switch mode battery charger’s operating frequency is 4MHz and includes integrated, low-loss switches to provide the industry’s smallest L/C size, lowest heat, and fastest battery charging programmable up to 3.0A. The charger has two inputs that accept adapter/USB (CHIN) and/or wireless type inputs (WCIN). The wireless input can simultaneously charge the battery while powering USB-OTG type accessories. The USB-OTG output provides true-load disconnect and is protected by an adjustable output current limit.
The battery charger includes smart power path and I2C adjustable settings to accommodate a wide range of battery sizes and system loads. When external power is applied from either input, battery charging is enabled. With a valid input power source (adapter or wireless charger), the BYP pin voltage is equal to the input voltage minus resistive voltage drop. During battery-only reverse boost operation, the BYP output can be regulated with the reverse boost feature and provides up to 5V at 1.5A and requires no additional inductor, allowing the MAX77818 to power USB OTG accessories.
The switching charger is designed with a special CC, CV, and die temperature regulation algorithm. ModelGauge (m5) provides accurate battery fuel gauging without calibration and operates with extremely low battery current.
The safeout LDO drive system USB interface devices.The MAX77818 features a I2C revision 3.0-compatible serial interface that comprises a bidirectional serial data line(SDA) and a serial clock line (SCL).
MAX77818主要特性和優勢:
Dual Input Switchmode Battery ChargerAdapter/USB InputUp to 13.4V Adapter Charging
Up to 4.0A rated, Input Current Protection(Programmable)
Wireless Charging InputUp to 5.9V Wireless Charging
Up to 1.26A, Input Current Protection(Programmable)
Support USB-OTG Accessories
Battery Charge Current, Up to 3.0ANo Sense Resistor
CC, CV, and Die Temperature Control
Integrated Battery True-Disconnect FET
RDS(ON) = 12.8mΩ
Rated Up to 4.5ARMS, Discharge Current Limit (Programmable)
Reverse Boost CapabilitySupports USB-OTG Accessories
Up to 5.1V/1.5A
Adjustable OCP
ModelGauge (m5) Battery Fuel Gauge±1% SOC Accuracy, No Calibration Cycles, Very Low IQ
Time-to-Empty and Time-to-Full Prediction
Two Safeout LDOs
I2C Serial Interface
72-Bump. 3.867mm x 3.608mm WLP with 0.4mm Pitch
MAX77818應用:
Smartphones and Tablets
Other Handheld Devices

圖1.MAX77818框圖

圖2.MAX77818主電池充電器功能框圖

圖3.MAX77818典型應用電路圖
MAX77818評估系統
The MAX77818 evaluation system (EV system) consists of a MAX77818 evaluation kit (EV kit) and a companion Maxim MINIQUSB interface board.
The MAX77818 EV kit is an assembled and tested PC board that demonstrates the MAX77818. The IC contains 12V input and 3A output switching mode charger.
The Maxim MINIQUSB interface board allows an IBM-compatible PC to use its USB port to emulate an I2C 2-wire interface. Windows XP®/Windows® 7 software provides a user-friendly interface to exercise the features of the MAX77818. The menu-driven program offers a graphical user interface with control buttons.
MAX77818評估系統優勢和特性:
Demonstrates 12VCHGIN, 3A Charge
Demonstrates MG5 Fuel Gauge Performance
Demonstrates Dual Input Charge
Demonstrates OTG Mode
Evaluates MAX77818 Detail Performances

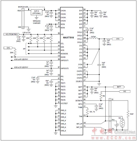
圖4.MAX77818評估系統電路圖
MAX77818評估系統材料清單:


圖5. MAX77818評估系統PCB布局圖

圖6. MAX77818評估系統PCB布局圖:頂層

圖7. MAX77818評估系統PCB布局圖:內部層2

圖8. MAX77818評估系統PCB布局圖:內部層3

圖9. MAX77818評估系統PCB布局圖:底層

圖10. MAX77818評估系統PCB布局圖:頂層裝配圖 |
| |
|
|
|
|
|
| |
|
| |
|
|