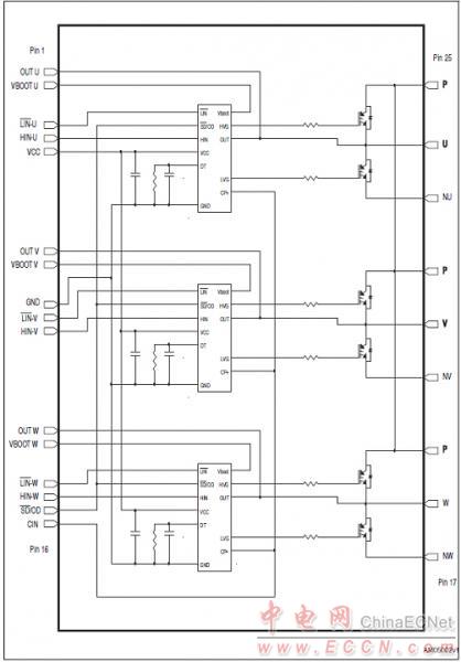
ST公司的STGIPS20C60是小型低損耗智能功率模塊(IPM),三相20A 600V IGBT橋,包括用于柵極驅(qū)動的控制IC和續(xù)流二極管(FWD),主要用在三相馬達驅(qū)動和空調(diào)機.本文介紹了STGIPS20C60主要特性,框圖和典型應用電路,以及STEVAL-IHM034V2 1300W馬達控制板主要特性,電路圖和材料清單.
SLLIMM™ small low-loss intelligent molded moduleIPM, 3-phase inverter - 20 A, 600 V short-circuit rugged IGBT. This intelligent power module provides acompact, high performance AC motor drive in asimple, rugged design. Combining ST proprietarycontrol ICs with the most advanced short-circuitruggedIGBT system technology, this device is ideal for 3-phase inverters in applications such asmotor drives and air conditioners. SLLIMM™ is atrademark of STMicroelectronics
STGIPS20C60主要特性:
IPM 20 A, 600 V 3-phase IGBT inverter bridgeincluding control ICs for gate driving and freewheelingdiodes
Short-circuit rugged IGBTs
3.3 V, 5 V, 15 V CMOS/TTL inputscomparators with hysteresis and pull down /pull up resistors
Undervoltage lockout
Internal bootstrap diode
Interlocking function
Smart shutdown function
Comparator for fault protection against overtemperature and overcurrent
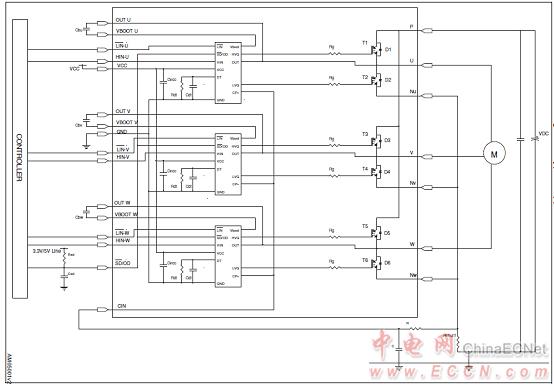
DBC leading to low thermal resistance
Isolation rating of 2500 Vrms/min
UL recognized: UL1557 file E81734
STGIPS20C60應用:
3-phase inverters for motor drives
Air conditioners

圖1.STGIPS20C60框圖

圖2. STGIPS20C60應用電路圖
STEVAL-IHM034V2馬達控制板
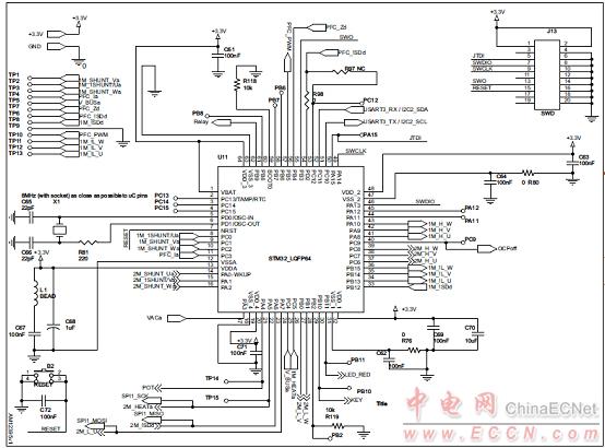
The STEVAL-IHM034V2 is a complete motor control kit solution for the evaluation of STMicroelectronics® wide product portfolio tailored to applications where it is necessary to drive, simultaneously, two motors in sensorless field oriented control (FOC) and perform active power factor correction (PFC) through digital control of a single-stage boost DC-DC converter.
Typical applications include in-room air conditioners (RACs), where this ST solution can drive the compressor, outdoor fans and PFCs. The microcontroller unit consists of STMicroelectronics’ ARM™ Cortex-M3 core-based STM32F103RC, which is capable of carrying out all of the previously-mentioned tasks simultaneously. The board is compatible with the STM32F2 series and with the ARM™ Cortex-M4 core-based STM32F4 series.
Motor 1 is powered by the onboard SLLIMM™ (small low-loss intelligent molded module) STGIPS20C60. Motor 2 can be powered by an external STMicroelectronics power stage, such as those that can be evaluated using the STEVAL-IHM021V1, STEVAL-IHM024V1, STEVAL-IHM032V1 or STEVAL-IHM035V1 evaluation boards. Simultaneously, the same microcontroller unit drives the onboard boost PFC stage designed with the STGW35HF60W ultrafast IGBT or, alternatively, for high switching frequencies the STW38N65M5 MDmesh V Power MOSFET, and STTH15R06D Turbo2 ultrafast diode or the STPSC1206D Schottky silicon carbide diode.
The STEVAL-IHM034V2 can be used together with the STM32 permanent magnet synchronous motor (PMSM) single/dual FOC software development kit (SDK) v3.2 or later and its compatible PFC v1.0 firmware plug-in.
STEVAL-IHM034V2馬達控制板主要特性:
Nominal power 1300 W, max.power 1700 W
Digital PFC section:
Single-stage boost converter based on the STGW35HF60W(or STW38N65M5)and STTH15R06D or (STPSC1206D)
AC mains current sensing
DC bus voltage sensing
Hardware overcurrent protection
Hardware overvoltage protection
AC mains voltage zero crossing detection
Rectified AC mains voltage sensing
External boost inductor
Inverter section (motor 1 drive):
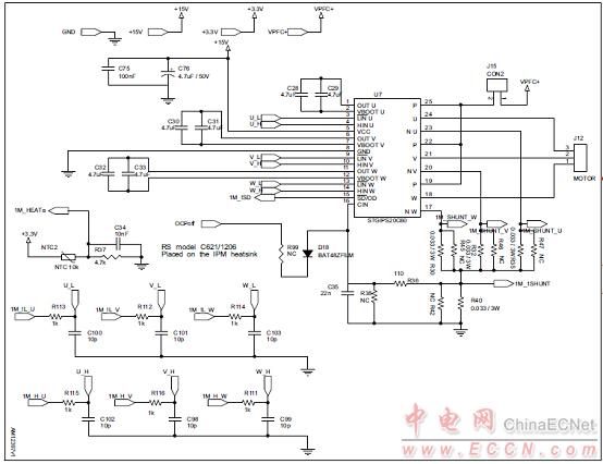
IGBT intelligent power module STGIPS20C60 in SDIP 25L molded package
3-shunt or DC link motor current sensing
Hardware overcurrent protection
Heatsink temperature measurement
Overcurrent protection disabling network
Control section:
Centralized dual motor control and PFC drive, using the STM32F103RCT6
MC connector to drive the second motor power stage (a compatible power board, such as the STEVAL-IHM021V1, STEVAL-IHM024V1, or STEVAL-IHM032V1, can be plugged here)
SWD programming and debugging
JTAG programming
Opto-isolated USART communication
Other functions:
User key, reset, potentiometer, user LED, NTC relay, test points
Power supply:
+15 V, +3.3 V power supply
RoHS compliant

圖3.STEVAL-IHM034V2馬達控制板外形圖
STEVAL-IHM034V2馬達控制板系統(tǒng)特性:
Nominal power: 1300 W, max. power 1700 W
Digital PFC section:
– Single-stage boost converter
– STGW35HF60WD ultrafast IGBT in TO-247 package; it may be replaced with an
STGW35HF60W if a free-wheeling diode (like the STTH2L06) is soldered onbetween its collector and emitter
– Turbo2 ultrafast diode STTH15R06D in TO-220AC package
– AC mains current sensing (shunt resistor and amplification, using rail-to-railinput/output 8 MHz TSV914)
– DC bus voltage sensing
– Hardware overcurrent protection
– Hardware overvoltage protection
– AC mains voltage zero crossing detection
– Rectified AC mains voltage sensing
– External boost inductor
Inverter section (motor 1 drive):
– IGBT intelligent power module STGIPS20C60 in SDIP 25L molded package
– 3-shunt or DC link motor current sensing (shunt resistor and amplification, usingrail-to-rail input/output 8 MHz TSV914)
– Hardware overcurrent protection
– Heatsink temperature measurement
– Overcurrent protection disabling network
Control section:
– Centralized dual motor control and PFC drive, using STM32F103RCT6
– MC connector to drive the second motor power stage (a compatible power board,such as STEVAL-IHM021V2, STEVAL-IHM024V1, or STEVAL-IHM032V1,can beplugged here)
– SWD programming and debugging
– JTAG programming (DC +5 V supply only)
– USART communication using ST3232C, insulated with optocouplers;
– Other functions: user key, reset, potentiometer, user LED, NTC relay, test points
Power supply:
– +15 V, +3.3 V power supply based on VIPER16, L78L33AC, LD1117S33TR.
STEVAL-IHM034V2馬達控制板目標應用:
Air conditioning motor drive (compressor, outdoor fan) and PFC

圖4.STEVAL-IHM034V2馬達控制板架構(gòu)圖

圖5. STEVAL-IHM034V2馬達控制板電路圖(1)

圖6. STEVAL-IHM034V2馬達控制板電路圖(2)

圖7. STEVAL-IHM034V2馬達控制板電路圖(3)

圖8. STEVAL-IHM034V2馬達控制板電路圖(4)

圖9. STEVAL-IHM034V2馬達控制板電路圖(5)

圖10. STEVAL-IHM034V2馬達控制板電路圖(6)

圖11. STEVAL-IHM034V2馬達控制板電路圖(7)

圖12. STEVAL-IHM034V2馬達控制板電路圖(8)

圖13. STEVAL-IHM034V2馬達控制板電路圖(9)
STEVAL-IHM034V2馬達控制板材料清單:











|