| 當前位置:首頁->方案設計 |
|
| MCP8025三相BLDC馬達驅動方案 |
|
|
| 文章來源: 更新時間:2016/3/7 13:32:00 |
在線咨詢: |
| |
Microchip公司的MCP8025/6是三相無刷DC(BLDC)馬達柵極驅動器,包括有三個能驅動三個外接NMOS/NMOS晶體管對的半橋驅動器,在12V時可提供0.5A的峰值輸出電流.器件集成了比較器,降壓穩壓器,兩個LDO穩壓器,電源監測比較器,超溫傳感器,LIN收發器,零交叉檢測器,中性模擬器和運算放大器.主要用在汽車燃料泵,水泵和通風馬達,家用電器,PMSM控制,業余愛好飛機,船和卡車.本文介紹了MCP8025/6主要特性,框圖和典型應用電路,以及MCP8025 TQFP BLDC馬達驅動評估板主要特性,框圖,電路圖,材料清單和PCB設計圖.
The MCP8025/6 devices are 3-phase brushless DC(BLDC) power modules containing three integratedhalf-bridge drivers capable of driving three externalNMOS/NMOS transistor pairs. The three half-bridgedrivers are capable of delivering a peak output currentof 0.5A at 12V for driving high-side and low-side NMOSMOSFET transistors. The drivers have shoot-through,overcurrent and short-circuit protection. A Sleep Modehas been added to achieve a typical “key-off” quiescentcurrent of 5 μA.
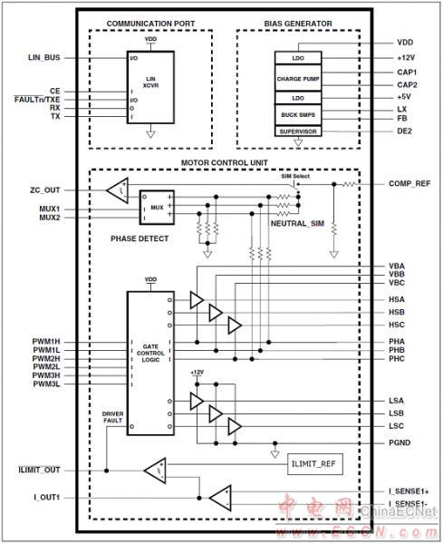
The MCP8025 device integrates a comparator, a buckvoltage regulator, two LDO regulators, powermonitoring comparators, an overtemperature sensor, aLIN transceiver, a zero-crossing detector, a neutralsimulator and an operational amplifier for motor current monitoring. The phase comparator and multiplexerallow for hardware commutation detection. The neutralsimulator allows commutation detection without aneutral tap in the motor. The buck converter is capableof delivering 750 mW of power for powering acompanion microcontroller. The buck regulator may bedisabled if not used. The on-board 5V and 12V lowdropoutvoltage regulators are capable of delivering30 mA of current.
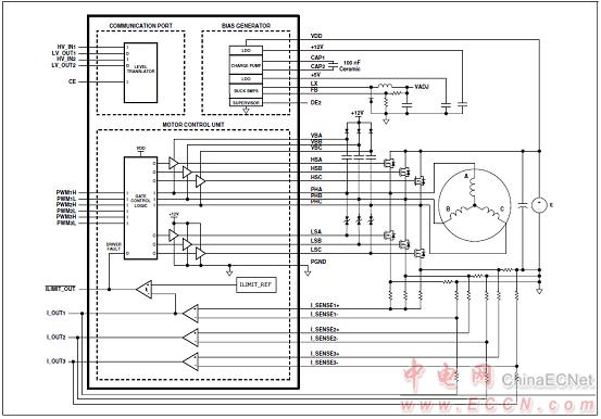
The MCP8026 replaces the LIN transceiver, neutralsimulator and zero-crossing detector in MCP8025 withtwo level shifters and two additional op amps.
The MCP8025/6 operation is specified over atemperature range of -40℃ to +150℃.Package options include 40-lead 5x5 QFN and 48-lead7x7 TQFP with Exposed Pad (EP).
MCP8025主要特性:
• AEC-Q100 Grade 0 Qualified
• Quiescent Current:
- Sleep Mode: 5 μA Typical
- Standby Mode:<200 μA
• LIN Transceiver Interface (MCP8025):
- Compliant with LIN Bus Specifications 1.3,2.2, and SAE J2602
- Supports baud rates up to 20K baud
- Internal pull-up resistor and diode
- Protected against ground shorts
- Protected against loss of ground
- Automatic thermal shutdown
- LIN Bus dominant timeout
• Three Half-Bridge Drivers Configured to DriveExternal High-Side NMOS and Low-Side NMOSMOSFETs:
- Independent input control for high-sideNMOS and low-side NMOS MOSFETs
- Peak output current: 0.5A @ 12V
- Shoot-through protection
- Overcurrent and short circuit protection
• Adjustable Output Buck Regulator (750 mW)
• Fixed Output Linear Regulators:
- email protected
- email protected
• Operational Amplifiers:
- one in MCP8025
- three in MCP8026
• Overcurrent Comparator with DAC Reference
• Phase Comparator With Multiplexer (MCP8025)
• Neutral Simulator (MCP8025)
• Level Translators (MCP8026)
• Input Voltage Range: 6V – 40V
• Operational Voltage Range:
- 6V–19V (MCP8025)
- 6V–28V (MCP8026)
• Buck Regulator Undervoltage Lockout: 4.0V
• Undervoltage Lockout (UVLO): 5.5V (except Buck)
• Overvoltage Lockout (OVLO)
- 20V (MCP8025)
- 32V (MCP8026)
• Transient (100 ms) Voltage Tolerance: 48V
• Extended Temperature Range (TA): -40 to +150℃
• Thermal Shutdown
MCP8025應用:
• Automotive Fuel, Water, Ventilation Motors
• Home Appliances
• Permanent Magnet Synchronous Motor (PMSM)Control
• Hobby Aircraft, Boats, Vehicles

圖1.MCP8025功能框圖

圖2. MCP8026功能框圖

圖3. MCP8025典型應用電路

圖4. MCP8026典型應用電路
MCP8025 TQFP BLDC馬達驅動評估板
The MCP8025 TQFP BLDC Motor Driver Evaluation Board is used to demonstrate thedrive capabilities of the MCP8025. The board uses the MCP8025 3-Phase BrushlessDC (BLDC) motor gate driver and dsPIC33EP256MC504 processor to implement a6-step trapezoidal BLDC motor controller.
The MCP8025 TQFP BLDC Motor Driver Evaluation Board is used to evaluateMicrochip’s MCP8025 in a BLDC motor application. As provided, the MCP8025 TQFPBLDC Motor Driver Evaluation Board is ready to operate a BLDC motor using oneon-board push button to start and stop the motor plus one on-board potentiometer toset motor speed. The evaluation board can drive a BLDC motor with a supply voltageof up to 19V and a motor current up to 15 amps. The MCP8025 TQFP BLDC MotorDriver Evaluation Board provides a 6-step trapezoidal control algorithm along with a750 mW buck converter, 5V and 12V LDO, high-to-low level voltage translators, currentsense operational amplifiers, LIN transceiver and Hall-effect inputs. The evaluationboard provides a status indication for the power supplies and the six on-boardPulse-Width Modulation (PWM) inputs.
MCP8025 TQFP BLDC馬達驅動評估板主要特性:
• Input Operating Voltage Range: +6.0V to +19V
• Maximum of 500 mA of gate drive current for external N-Channel MOSFETs
• Drives up to a 15A BLDC motor
• 750 mW Buck Regulator with resistor-programmable output voltage
• ON/OFF momentary contact switch
• Reset momentary contact switch
• Spare user-programmable momentary contact switch
• PWM signal LED indicators
• PICkit 3 and MPLAB ICD 3 debugger interfaces
• Speed control potentiometer
• Terminal block for 5V and 12V Hall-effect sensors
• LIN terminal block for user communications use
• Programmable external MOSFET overcurrent protection
• Programmable PWM dead-time protection
• Programmable PWM blanking time for current switching spikes
• Complete “C” source code (provided on the board web page)

圖5.MCP8025 TQFP BLDC馬達驅動評估板框圖

圖6. MCP8025 TQFP BLDC馬達驅動評估板外形圖

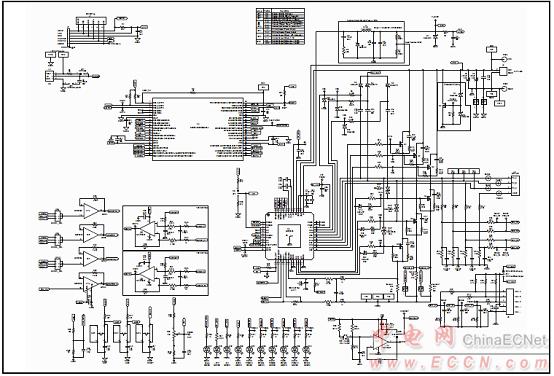
圖7. MCP8025 TQFP BLDC馬達驅動評估板電路圖
MCP8025 TQFP BLDC馬達驅動評估板材料清單:





圖8. MCP8025 TQFP BLDC馬達驅動評估板PCB元件布局圖

圖9. MCP8025 TQFP BLDC馬達驅動評估板PCB金屬層設計圖(頂層)

圖10. MCP8025 TQFP BLDC馬達驅動評估板PCB MID1金屬層設計圖

圖11. MCP8025 TQFP BLDC馬達驅動評估板PCB MID2金屬層設計圖

圖12. MCP8025 TQFP BLDC馬達驅動評估板PCB金屬層設計圖(底層) |
| |
|
|
|
|
|
| |
|
| |
|
|