TI公司的bq76200是低功耗高邊N溝道系統,可防止系統的接地引腳斷開連接,同時允許電池組與主機系統之間進行持續通信,具有獨立的數字使能充/放電控制,支持通用和獨立的充/放電路徑配置,最高耐壓為 100V,主要用在電動自行車(eBike),動踏板車 (eScooter 和電動摩托車 (eMotorcycles),儲能系統和不間斷電源(UPS),便攜式醫療系統,無線基站電池系統,鉛酸 (PbA) 備用電池和12V 至 48V電池組.本文介紹了bq76200主要特性,框圖,幾種典型應用電路以及評估板bq76200EVM-606主要特性,電路圖,材料清單和PCB元件布局圖.
The bq76200 device is a low-power, high-side, N-Channel system. A high-side protection avoids ground disconnection in the system and also allows continuous communication between the battery pack and host system. The device has additional P-Channel FET control to allow low-current pre-charge to a deeply depleted battery, and a PACK+ voltage monitor control for the host to sense the PACK+ voltage.
The independent enable inputs allow CHG and DSG FETs to be turned on and off separately, offering great implementation flexibility in battery systems.
The bq76200 device can be used with a companion Analog Front End device such as the bq76920/30/40 family, a 3-series to 15-series Cell Analog Front End Monitoring, and a host microcontroller or dedicated state-of-charge (SOC) tracking gas gauge device.
bq76200主要特性:
CHG and DSG High-Side NMOS FET Drivers for Battery Protection Fast FET Turn-On and Turn-Off Times
Pre-Charge PFET Driver (for Current-Limited Pre- charge of Significantly Depleted Cell-pack)
Independent Digital Enable Control for Charging and Discharging
Minimal External Components Needed
Scalable External Capacitor-Based Charge Pump to Accommodate a Different Range of FETs in Parallel
High-Voltage Tolerant (100-V Absolute Maximum)
Internal Switch to Enable Pack-Voltage Sensing
Common and Separate Charge and Discharge Path Configuration Support
Designed to Work Directly With bq76940, bq76930, and bq76920 Battery Monitors
Current Consumption:
NORMAL Mode: 40 µA
SHUTDOWN:<10 µA Maximum
bq76200主要應用:
eBikes, eScooters, and eMotorcycles
Energy Storage Systems and Uninterruptible Power Supplies (UPS)
Portable Medical Systems
Wireless Base-Station Battery Systems
Lead Acid (PbA) Replacement Batteries
12-V to 48-V Battery Packs

圖1.bq76200框圖

圖2.bq76200簡化應用框圖:支持多個并聯FET

圖3.bq76200簡化應用框圖:預充電的P溝FET和CHG FET并聯FET

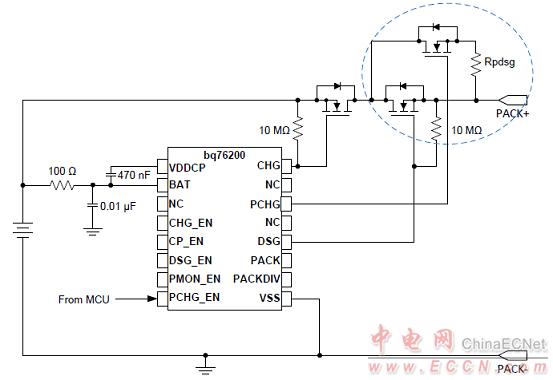
圖4.bq76200簡化應用框圖:預放電的P溝FET和DSG FET并聯FET

圖5.bq76200簡化應用框圖:單獨充電和放電通路

圖6.bq76200和bq76940的應用電路圖
評估板bq76200EVM-606
The bq76200EVM-606 is a populated circuit board to demonstrate operation of the bq76200 High-Side N-Channel FET Driver with Pack Voltage Sense Enable. With the board powered, shunts can be placed on a series of headers to control the features of the device to switch current through FETs on the board. Power connections are provided through screw terminals. The board may also be connected to an MCU board or other equipment for control of the current path using the header pins or a terminal block.
評估板bq76200EVM-606主要特性:
Populated circuit board for bq76200 demonstration from 10 to 70V
FETs for example current control up to 15 A
Screw terminals for current path connections
Manual control or external control through header pin or terminal block connections

圖7.評估板bq76200EVM-606外形圖

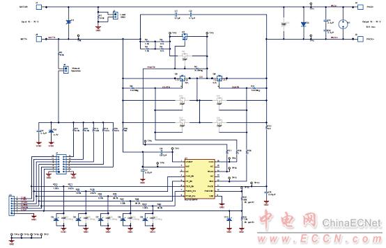
圖8.評估板bq76200EVM-606電路圖
評估板bq76200EVM-606材料清單(BOM):



圖9.評估板bq76200EVM-606 PCB元件布局圖
|