| 當前位置:首頁->方案設計 |
|
| STM8S103F2 8位MCU馬達驅動方案 |
|
|
| 文章來源: 更新時間:2015/11/9 11:10:00 |
在線咨詢: |
| |
ST公司的STM8S103F2/x3是集成了8KB閃存程序存儲器和數據EEPROM,內核工作頻率16MHz,具有哈佛架構和3級流水線和擴展指令集,工作電壓2.95 到5.5 V,主要用在真空吸塵器,食物處理機和電動工具.本文介紹了STM8S103F2/x3主要特性,框圖,評估板STEVAL-IHM029V2主要特性,框圖,電路圖,材料清單和PCB設計文件圖.
The STM8S103F2/x3 access line 8-bit microcontrollers offer 8 Kbytes Flash program memory, plus integrated true data EEPROM. The STM8S microcontroller family reference manual (RM0016) refers to devices in this family as low-density. They provide the following benefits: performance, robustness, and reduced system cost.
Device performance and robustness are ensured by advanced core and peripherals made in a state-of-the art technology, a 16 MHz clock frequency, robust I/Os, independent watchdogs with separate clock source, and a clock security system.
The system cost is reduced thanks to an integrated true data EEPROM for up to 300 k write/erase cycles and a high system integration level with internal clock oscillators, watchdog and brown-out reset.
STM8S103F2主要特性:
Core
16 MHz advanced STM8 core with Harvard architecture and 3-stage pipeline
Extended instruction set
Memories
Program memory: 8 Kbytes Flash; data retention 20 years at 55 °C after 10 kcycles
Data memory: 640 bytes true data EEPROM; endurance 300 kcycles
RAM: 1 Kbytes
Clock, reset and supply management
2.95 to 5.5 V operating voltage
Flexible clock control, 4 master clock sources
– Low power crystal resonator oscillator
– External clock input
– Internal, user-trimmable 16 MHz RC
– Internal low-power 128 kHz RC
Clock security system with clock monitor
Power management:
– Low-power modes (wait, active-halt, halt)
– Switch-off peripheral clocks individually
Permanently active, low consumption power-on and power-down reset
Interrupt management
Nested interrupt controller with 32 interrupts
Up to 27 external interrupts on 6 vectors
Timers
Advanced control timer: 16-bit, 4 CAPCOM channels, 3 complementary outputs, dead-time insertion and flexible synchronization
16-bit general purpose timer, with 3 CAPCOM channels (IC, OC or PWM)
8-bit basic timer with 8-bit prescaler
Auto wake-up timer
Window watchdog and independent watchdog timers
Communication interfaces
UART with clock output for synchronous operation, SmartCard, IrDA, LIN master mode SPI interface up to 8 Mbit/s
I2C interface up to 400 kbit/s
Analog to digital converter (ADC)
10-bit, ±1 LSB ADC with up to 5 multiplexed channels, scan mode and analog watchdog I/Os
Up to 28 I/Os on a 32-pin package including 21 high sink outputs
Highly robust I/O design, immune against current injection
Unique ID
96-bit unique key for each device

圖1.STM8S103F2/x3框圖
評估板STEVAL-IHM029V2
The STEVAL-IHM029V2 is a low-cost universal motor control evaluation board designed for the home appliance market, with particular focus on vacuum cleaners, food processors and power tools. This system features the 20-pin, 8-bit STM8S103F2 microcontroller running at 16 MHz (user-trimmable internal RC clock), featuring 4 KB of Flash memory, a 10-bit A/D converter, 8/16 bit timers, communication interfaces and 640 bytes of E2PROM. The power supply circuitry features the VIPer16L, an off-line converter with an 800 V avalanche-rugged power section, operating at 60 kHz.
The STEVAL-IHM029V2 especially targets vacuum cleaner applications with power up to 900 W and fulfills the requirements of the 2009/125/EC EU directive, applicable starting in September 2017, thanks to the T1235T, a 12 A 800 V high performance Triac. The motor control is based on phase-angle.
In order to limit in-rush current and possible current peaks, the evaluation board features a soft-start routine and a smooth power change function. The board passed the pre-compliance tests for EMC directives IEC 61000-4-4 (burst up to 8 kV) and IEC 61000-4-5 (surge up to 2 kV). In standby mode, the STEVAL-IHM029V2 has an overall power consumption below 300 mW.

圖2.評估板STEVAL-IHM029V2外形圖
評估板STEVAL-IHM029V2主要特性:
Input voltage range: 90-265 VAC, 50/60 Hz
12 VDC / 5 VDC auxiliary power supply based on the VIPer16L in buck converter topology
Total power consumption below 300 mW in standby mode
Maximum output power: 1500 W
20-pin, 8-bit STM8S103F2 MCU as main controller
Employs zero-voltage switching (ZVS) to synchronize MCU events with the voltage mains
Motor driven by T1235T Triac in phase-angle control
5 power levels and standby mode selectable by potentiometer
5 LEDs to display the power level of the board
“RUN” LED to indicate the board is functioning
Standard in-circuit programming connector
IEC 61000-4-4 pre-compliance test passed (burst up to 8 kV)
IEC 61000-4-5 pre-compliance test passed (surge up to 2 kV)
RoHS compliant
The STEVAL-IHM029V2 universal motor control evaluation board is mainly targeted at the
domestic appliance market, including:
• Vacuum cleaners – the new 2009/125/EC directive requires decreased power
consumption to below 900 W from September 2017
• Food processors
• Power tools

圖3.評估板STEVAL-IHM029V2框圖

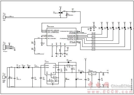
圖4.評估板STEVAL-IHM029V2電路圖
評估板STEVAL-IHM029V2材料清單:




圖5.評估板STEVAL-IHM029V2 PCB設計圖(絲印)

圖6.評估板STEVAL-IHM029V2 PCB設計圖(頂層)

圖7.評估板STEVAL-IHM029V2 PCB設計圖(底層) |
| |
|
|
|
|
|
| |
|
| |
|
|