| 當前位置:首頁->方案設計 |
|
| WL18xxMODWiLink2.4GHz模塊雙天線解決方案 |
|
|
| 文章來源: 更新時間:2015/11/2 11:12:00 |
在線咨詢: |
| |
TI公司的WL18xxMOD WiLink™ 8單頻段Combo模塊,包括Wi-Fi,藍牙和藍牙低功耗(BLE),可提供高數據吞吐量和擴展范圍,并支持Wi-Fi和藍牙共存, 工作頻率2.4GHz,雙天線解決方案.器件經FCC, IC ,ETSI/CE,和 TELEC認證,適用于接入點 (AP) 和客戶端,主要用在物聯網(IOT),工業和家庭自動化,多媒體,智能網關和計量,家用電器和電子,視頻會議,攝像機.本文介紹了WL18xxMOD主要特性,框圖,典型應用-WL1835MOD參考設計及其材料清單,WiLink 1835模塊天線參考設計主要特性,電路圖,材料清單和PCB設計文件.
WL18xxMOD WiLink™ 8 Single-Band Combo Module –Wi-Fi®,Bluetooth ®,and BluetoothLow Energy (BLE).The certified WiLink 8 module from TI offers high throughput and extended range along with Wi-Fi andBluetooth coexistence (WL1835MOD only) in a power-optimized design. The WL18x5MOD device is a2.4-GHz module, two antenna solution. The device is FCC, IC, ETSI/CE, and TELEC certified for AP andclient. TI offers drivers for high-level operating systems such as Linux®, Android™, WinCE, and RTOS.
WL18xxMOD主要特性:

WL18xxMOD應用:
• Internet of Things
• Industrial and Home Automation
• Multimedia
• Smart Gateway and Metering
• Home Electronics
• Video Conferencing
• Home Appliances and White Goods
• Video Camera and Security

圖1.WL1835功能框圖

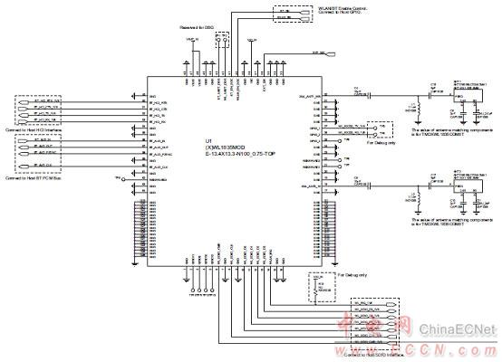
圖2.WL1835典型應用-WL1835MOD參考設計
WL1835MOD參考設計材料清單:

WiLink 1835模塊天線參考設計WL1835MODCOM8B
The WiLink 1835 Module Antenna Design is a reference design that combines the functionalities of the WiLink 8 module with a built-in antenna on a single board, implementing the module in the way it’s been certified. Through this, customers are able to evaluate the performance of the module through embedded applications such as home automation and the Internet of Things that make use of both Wi-Fi and Bluetooth/Bluetooth Low Energy functionalities found on the WiLink 1835 module. This antenna design leverages the use of its certification by using the same antenna layout when the module was tested for certification, allowing customers to avoid repeated certification when creating their applications.
WiLink 1835模塊天線參考設計主要特性:
• WLAN, Bluetooth, BLE on a module board
• 100-pin board card
• Dimension 76.0 mm(L) x 31.0 mm(W)
• WLAN 2.4 GHz SISO (20- and 40-MHz channels), 2.4-GHz MIMO (20-MHz channels)
• Support for BLE dual mode
• Seamless integration with TI Sitara and other application processors
• Design for TI AM335X general-purpose EVM
• WLAN and Bluetooth, BLE cores are software and hardware compatible with prior WL127x, WL128xand CC256x offerings, for smooth migration to device.
• Shared HCI transport for Bluetooth and BLE over UART and SDIO for WLAN.
• Wi-Fi / Bluetooth single antenna co-existence
• Built-in chip antenna
• Optional U.FL RF connector for external 2.4-GHz band antenna
• Direct connection to battery using external switching mode power supply supporting 4.8-V to 2.9-Voperation
• VIO in the 1.8-V domain
TI Module Key Benefits
• Reduces Design Overhead: Single WiLink8™ Module Scales Across Wi-Fi and Bluetooth.
• WLAN High Throughput: 80 Mbps (TCP), 100 Mbps (UDP)
• Bluetooth 4.0 + BLE (Smart Ready)
• Wi-Fi-Bluetooth Single Antenna Coexistence
• Low Power (30–50% Less than Previous Generation)
• Available as Easy-to-Use FCC, ETSI, and Telec Certified Module
• Lower Manufacturing Costs, Saving Board Space and Minimizing RF Expertise
• AM335x Linux® and Android™ Reference Platform Accelerates Customer Development and Time to Market

圖3.WL1835MODCOM8B外形圖
WL1835MODCOM8B應用:
• Internet of Things Multimedia
• Home Electronics
• Home Appliances and White Goods
• Industrial and Home Automation
• Smart Gateway and Metering
• Video Conferencing
• Video Camera and Security

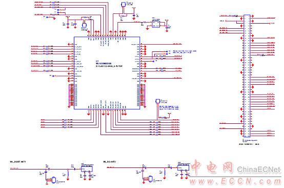
圖4.WL1835MODCOM8B電路圖
WL1835MODCOM8B材料清單:


圖5.WL1835MODCOM8B板元件布局圖(頂層)

圖6.WL1835MODCOM8B板圖(底層)

圖7.WL1835MODCOM8B板PCB設計圖(1層)

圖8.WL1835MODCOM8B板PCB設計圖(2層)

圖9.WL1835MODCOM8B板PCB設計圖(3層)

圖10.WL1835MODCOM8B板PCB設計圖(4層) |
| |
|
|
|
|
|
| |
|
| |
|
|