| 當前位置:首頁->方案設計 |
|
| L6482H微步距步進馬達驅動解決方案 |
|
|
| 文章來源: 更新時間:2015/9/25 10:24:00 |
在線咨詢: |
| |
ST公司的L6482H是采用模擬混合信號技術的微步距步進馬達驅動器,集成了用來驅車兩相雙極MOSFET功率級的兩個全橋柵極驅動器.采用全新的電流控制,可獲得者/16的微步距,工作電壓7.5 V-85 V.本文介紹了L6482H主要特性,框圖,應用電路圖及其材料清單,評估板EVAL6482H主要特性,電路圖,材料清單和PCB文件設計圖.
The L6482 device, realized in analog mixedsignal technology, is an advanced fully integratedsolution suitable for driving two-phase bipolarstepper motors with microstepping.
It integrates a dual full bridge gate driver forN-channel MOSFET power stages with embedded non dissipative overcurrent protection.
Thanks to a new current control, a 1/16microstepping is achieved through an adaptive decay mode which outperforms traditionalimplementations. The digital control core can generate user defined motion profiles withacceleration, deceleration, speed or target position easily programmed through a dedicatedregister set. All application commands and dataregisters, including those used to set analogvalues (i.e. current protection trip point,deadtime,PWM frequency, etc.) are sent through a standard5-Mbit/s SPI. A very rich set of protections(thermal, low bus voltage, overcurrent and motorstall) makes the L6482 device “bullet proof”, asrequired by the most demanding motor controlapplications.
L6482H主要特性:
Operating voltage: 7.5 V - 85 V
Dual full bridge gate driver for N-channelMOSFETs
Fully programmable gate driving
Embedded Miller clamp function
Programmable speed profile
Up to 1/16 microstepping
Advanced current control with auto-adaptivedecay mode
Integrated voltage regulators
SPI interface
Low quiescent standby currents
Programmable non dissipative overcurrentprotection
Overtemperature protection
L6482H應用:
Bipolar stepper motor

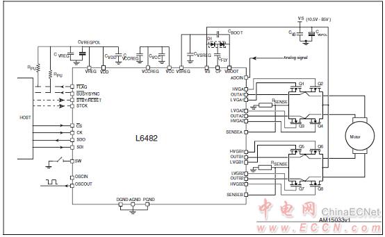
圖1. L6482H框圖

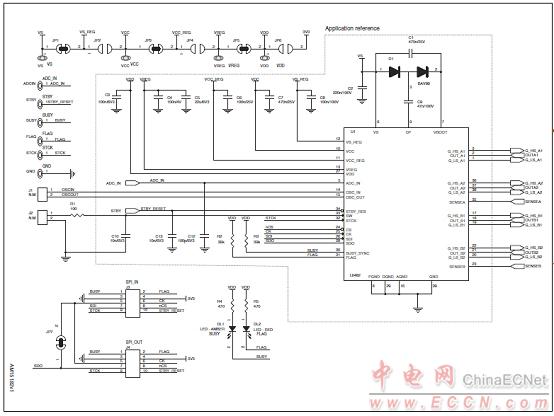
圖2. L6482H應用電路圖
應用電路圖中材料清單:

評估板EVAL6482H
The EVAL6482H demonstration board is a highpower microstepping motor driver. In combinationwith the STEVAL-PCC009V2 communicationboard and the evaluation software, the boardallows the user to investigate all the features ofthe L6482 device. In particular, the board can beused to check the advanced current control and toregulate the L6482 parameters in order to fit theapplication requirements.
The EVAL6482H supports the daisy chainconfiguration making it suitable for the evaluationof the L6482 in multi motor applications.
評估板EVAL6482H主要特性:
Voltage range from 10.5 V to 85 V
Low Rds(ON) MOSFETs in DPAK package
SPI with daisy chain feature
FLAG and BUSY LED indicators
Flexible supply voltage management
Suitable for use in combination with theSTEVAL-PCC009V2
評估板EVAL6482H應用:
High power bipolar stepper motor driving

圖3.評估板EVAL6482H外形圖
評估板EVAL6482H主要指標:


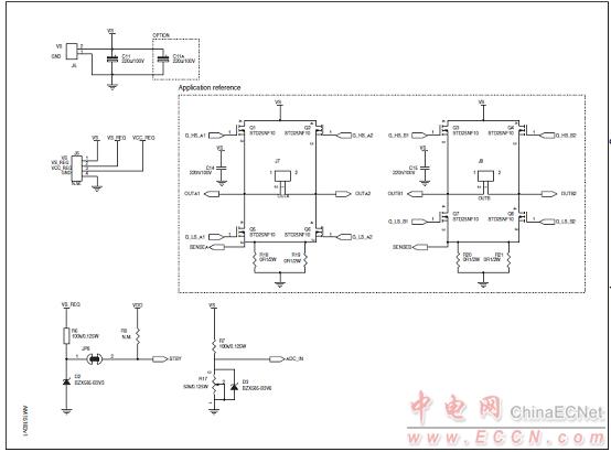
圖4.評估板EVAL6482H電路圖(1)

圖5.評估板EVAL6482H電路圖(2)
評估板EVAL6482H材料清單:



圖6.評估板EVAL6482H PCB設計圖(頂層)

圖7.評估板EVAL6482H PCB設計圖(內2層)

圖8.評估板EVAL6482H PCB設計圖(內3層)

圖9.評估板EVAL6482H PCB設計圖(底層) |
| |
|
|
|
|
|
| |
|
| |
|
|