| 當前位置:首頁->方案設計 |
|
| MTS2916A雙極步進馬達驅動方案 |
|
|
| 文章來源: 更新時間:2015/9/23 15:16:00 |
在線咨詢: |
| |
Microchip公司的MTS2916A是雙極馬達驅動器,也能雙向控制兩個DC馬達,兩個單獨的H橋輸出提供電壓40V,連續電流750mA,主要用在步進馬達,DC馬達,汽車HVAC和座位控制.本文介紹了MTS2916A主要特性,框圖和應用電路,以及評估板ADM00308主要特性,電路圖,材料清單和PCB設計文件.
The MTS2916A motor driver is a CMOS devicecapable of driving both windings of a bipolar steppermotor or bidirectionally control two DC motors. Each ofthe two independent H-bridge outputs is capable ofsustaining 40V and delivering up to 750 mA of
continuous current. The output current level iscontrolled by an internal pulse-width modulation(PWM) circuit that is configured using two logic inputs,a current sense resistor and a selectable referencevoltage. The H-bridge outputs have been optimized toprovide a low output saturation voltage drop.
Full, half, and micro-stepping operations are possiblewith the PWM current control and logic inputs. Themaximum output current is set by a sensing resistorand a user selectable reference voltage. The outputcurrent limit is selected using two logic level inputs. Theselectable output current limits are 0%, 33%, 67%, or100% of the maximum output current. Each bridge hasa PHASE input signal which is used to control the directionof current flow through the H-bridge and the load.
The H-bridge power stage is controlled by non-overlappingsignals which prevent current cross conductionwhen switching the direction of the current flow. Internalclamp diodes protect against inductive transients.
Thermal protection circuitry disables the outputs whenthe junction temperature exceeds the safe operatinglimit. No special power-up sequencing is required.
Undervoltage Lockout circuitry prevents the chip fromoperating when the load supply is applied prior to thelogic supply.
The device is supplied in a 24-pin SOP package.
MTS2916A主要特性:
• 750 mA Continuous Output Current
• Load Voltage Supply: 10V to 40V
• Full Bipolar Stepper Motor Drive Capability
• Bidirectional DC Motor Capability
• Internal Fixed TOFF Time PWM Current Control
• Internal Protection Diodes
• Internal Thermal Shutdown
• Under Voltage Lockout
• LS-TTL Compatible Logic Inputs with Pull-UpResistors
• Low RON Output Resistance
• Low Quiescent Current
• Operating Temperature Range: -40℃ to +105℃
• Pin Compatible with Allegro 2916
MTS2916A應用:
• Stepper Motor Actuators
• DC Motor Actuators
• Automotive HVAC Ventilation
• Automotive Power Seats

圖1. MTS2916A框圖

圖2. MTS2916A典型應用框圖
MTS2916A雙全橋步進馬達評估板ADM00308
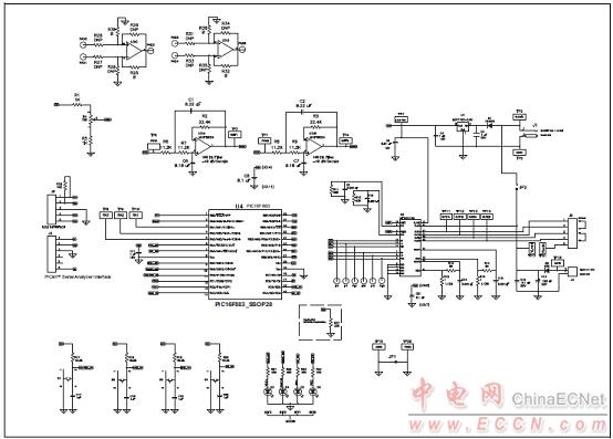
The MTS2916A Dual Full-Bridge Stepper Motor Driver Evaluation Board demonstrates the capabilities of the MTS2916A to control both windings of a bipolar stepper motor. The board also demonstrates the capabilities of the MTS62C19A, which has the same functionality, but different pin assignments. A PIC16F883 is utilized for motor control processing.
This evaluation board incorporates features through the implementation of push button switches and a variable speed input potentiometer to exercise a stepper motor in Full-Step, Half-Step, Modified Half-Step and Microstepping modes. LEDs indicate a binary representation of which mode has been selected. The evaluation board and the stepper motor can be powered from a single power input J1 (7 VDC to 12 VDC) with jumper JP2 installed. For higher motor voltages, make sure JP2 is not installed, and connect VLOAD at J4. Numerous test points have been designed into the board to allow easy access.
MTS2916A評估板ADM00308主要特性:
Push Button mode, Run, Hold and Direction control
Potentiometer variable speed adjustment
LED mode indication
Maximum winding current with the combination of Rs, VREF and conditioning of I0/I1 logic inputs
PICkit™ Programming connector (J5) to implement user-created code

圖3.評估板ADM00308外形圖

圖4.評估板ADM00308電路圖
評估板ADM00308材料清單:



圖5.評估板ADM00308 PCB設計圖(1)

圖6.評估板ADM00308 PCB設計圖(2)

圖7.評估板ADM00308 PCB設計圖(3) |
| |
|
|
|
|
|
| |
|
| |
|
|