| 當前位置:首頁->方案設計 |
|
| AD9154四路16位數模轉換器解決方案 |
|
|
| 文章來源: 更新時間:2015/6/6 9:19:00 |
在線咨詢: |
| |
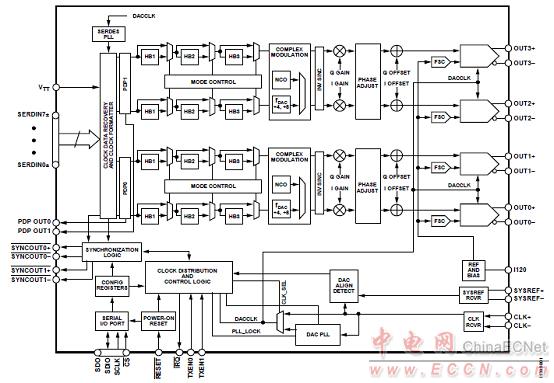
ADI公司的AD9154是四路16位2.4 GSPS最高采樣速率的數模轉換器(DAC),可以在基帶模式下產生高達奈奎斯特頻率的多載波.支持輸入數據速率高達1 GSPS,具有先進的低雜散與失真設計技術,主要用在無線通信,多載波LTE和GSM基站,寬帶中繼器,軟件定義無線電,寬帶通信,點對點微波無線電,發射分集、多路輸入/多路輸出(MIMO)以及儀器儀表和自動測試設備.本文介紹了AD9154產品特色,優勢和特點,功能框圖以及評估板AD9154-EBZ主要特性,電路圖,材料清單和PCB元件布局圖.
AD9154是一款四通道、16位、高動態范圍數模轉換器(DAC),提供2.4 GSPS最高采樣速率,可以在基帶模式下產生高達奈奎斯特頻率的多載波。 AD9154具有針對直接變頻傳輸應用進行優化的特性,包括復數數字調制、輸入信號功率檢測以及增益、相位與失調補償。DAC輸出經過優化,可以與ADI公司的ADRF672x射頻正交調制器無縫接口。在混頻模式下,DAC可在二階和三階奈奎斯特區內重構載波。串行端口接口(SPI)允許對內部參數進行編程和回讀。滿量程輸出電流可以在-4 mA至-20 mA范圍內進行編程。 AD9154提供88引腳LFCSP封裝。
AD9154產品特色:
超寬信號帶寬支持新興的寬帶和多頻帶無線應用。
先進的低雜散與失真設計技術,從基帶到高中頻的寬帶信號可以實現高質量合成。
JESD204B子類1可簡化多芯片同步。
小型封裝,尺寸為12 mm × 12 mm。
AD9154優勢和特點:
支持輸入數據速率高達1 GSPS
專有低雜散與失真設計
單載波LTE 20 MHz BW,ACLR = 76.7 dBc(180 MHz IF時)
六載波GSM IMD = 78 dBc(600 kHz載波間距,180 MHz IF時)
SFDR = 72 dBc(180 MHz IF時,−6 dBFS)
靈活的8通道JESD204B接口
多芯片同步
固定延遲
數據發生器延遲補償
輸入信號功率檢測
高性能、低噪聲鎖相環(PLL)時鐘倍頻器
數字反sinc濾波器
使用NCO實現數字正交調制
“混頻模式”奈奎斯特頻帶選擇
可選1倍、2倍、4倍或8倍插值濾波器
低功耗: 2.11 W(1.6 GSPS時,全部工作條件下)
88引腳LFCSP(帶裸露焊盤)
AD9154應用:
無線通信
多載波LTE和GSM基站
寬帶中繼器
軟件定義無線電
寬帶通信
點對點微波無線電
發射分集、多路輸入/多路輸出(MIMO)
儀器儀表
自動測試設備

圖1.AD9154功能框圖
評估板AD9154-EBZ
The AD9154-EBZ connects to a DPG3. The AD9154 is a quad JESD204B signal processing RF Digital to Analog Converter. The DPG3 automatically formats the data and sends it to the AD9154-EBZ via its JESD204B lanes. The Evaluation Board (EVB) runs from a single +5V lab supply. A clock distribution chip AD9516 is included on this EVB as a clock fan-out and frequency divider for the DACCLK, JESD204B SYSREF signals, and a CFRAME clock used by the DPG3.Hardware Setup

圖2.評估板AD9154-EBZ建立框圖
圖3.評估板AD9154-EBZ外形圖

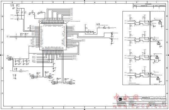
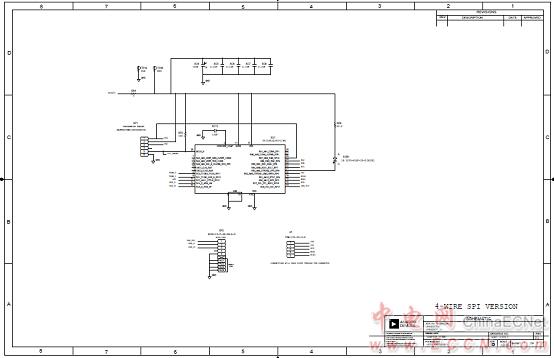
圖4.評估板AD9154-EBZ電路圖(1)

圖5.評估板AD9154-EBZ電路圖(2)

圖6.評估板AD9154-EBZ電路圖(3)

圖7.評估板AD9154-EBZ電路圖(4)

圖8.評估板AD9154-EBZ電路圖(5)

圖9.評估板AD9154-EBZ電路圖(6)

圖10.評估板AD9154-EBZ PCB元件布局圖(頂層)

圖11.評估板AD9154-EBZ PCB元件布局圖(底層) |
| |
|
|
|
|
|
| |
|
| |
|
|